电话:
固话:021-58201756
具有自适应卡管装置,可方便装卡粗细不同的软管而无需手动调节
功能特点
YZ15泵头流量范围0.005~2562毫升/分钟,适合13#、14#、19#、16#、25#、17#、 18#泵管,流量范围非常宽泛;
具有自适应卡管装置,可方便装卡粗细不同的软管而无需手动调节;
经典的泵管锁定机构,更换软管只需要数秒,轻松应对频繁换管的工况;
特殊的压管结构,减少泵管磨损及由误操作带来的意外破裂;
PPSPES特种功能塑料外壳,SS304滚轮,保证泵头能够满足如高转速、长时间等高 强度的使用需求;
多个泵头可叠加,扩展至10个通道;
两个泵头串联时,将滚轮之间呈60°错开,可明显降低流体脉动,并提高传输速度;
YZ15泵头可匹配步进电机、伺服电机、交流电机、直流电机等多种类型的电机;
另有低脉动型和防水型的泵头供选择,请提前与雷弗销售工程师或者代理商确认。
应用领域:实验室、新能源、环保、化工、农业等领域
典型应用:物料传输配液、TFFDFF超滤、包衣制粒、种子包衣、多通道传输等
产品参数
| 技术参数 | |
| 流量范围 | 0.005~2562mL/min |
| 外壳材质 | PPSPES |
| 滚轮数 | 36个 |
| 耐腐蚀性能 | PPS耐绝大多数的酸碱盐液体及有机溶剂,PES耐除氯代烃、酮类、强酸类外的大多数液体 |
| 通道数 | 1通道(可扩展至10通道) |
| 间隙调整 | 固定(不可调) |
| 可承受液体温度 | 200℃以内 |
| 装管方式 | 整条 |
| 滚轮材质 | SS304 |
| 压管间隙 | 固定(不可调) |
| 泵壳材料 | PPSPES |
| 颜色 | 黑色、白色 |
| 净重 | 420 g(3滚轮) 480g(6滚轮) |
| 滚轮材料 | SS304 |
| 工作温度 | 可在200℃下长期使用 |
.png)
.png)
.png)

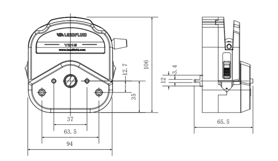
尺寸图(单位:mm)
.png)

雷弗YZ15T蠕动泵泵头
雷弗YT25蠕动泵泵头