电话:
固话:021-58201756
结构紧凑,坚固耐用,能够满足高转速、长时间运行的使用需求
功能特点
雷弗YZ35泵头流量范围0.0013~13升/分钟,适合73#、82#软管,可实现多个泵 头串联使用;
新型装卡与压管结构,更换软管简单快捷且软管在运转过程中不会偏移;
压管间隙可根据软管型号进行微调,可适应泵管规格的少量偏差;
PPS材质泵壳,SS304不锈钢滚轮,耐有机溶剂和其他腐蚀性液体;
结构紧凑,坚固耐用,能够满足高转速、长时间运行的使用需求;
两个泵头串联时,将滚轮之间呈60°错位安装,可明显降低脉动,并提高传输速度。
应用领域:实验室、新能源、环保、化工、农业等领域
典型应用:物料传输配液、TFFDFF超滤、包衣制粒、种子包衣、多通道传输等
产品参数
| 技术参数 | |
| 滚轮数 | 3 |
| 耐腐蚀性能 | 耐绝大多数的酸碱盐液体及有机溶剂 |
| 通道数 | 1通道(可多个泵头串联使用) |
| 间隙调整 | 可微调 |
| 可承受液体温度 | 200℃以内 |
| 装管方式 | 整条 |
| 净重 | 1725g |
.png)

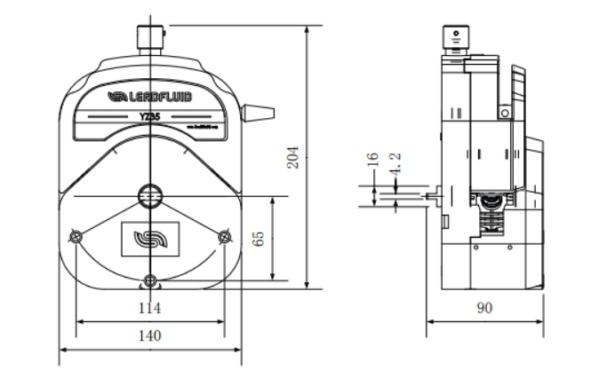
尺寸图(单位:mm)
.png)

雷弗YZ15蠕动泵泵头
雷弗YZ15T蠕动泵泵头
雷弗YT25蠕动泵泵头